室内空気測定(ホルムアルデヒド・TVOC測定)

株式会社中央クリエイトは、資本・人材その他すべてにおいて100%第三者機関として運営している調査会社です。

室内空気測定

ホルムアルデヒド・TVOC測定

当社においては、アクティブ法ならびにパッシブ法に関する溶出分析は行いませんが、各方法を依頼内容に基づいて吟味し、最良の検査機関、検査方法を選ぶお手伝いをいたします。

室内空気測定(ホルムアルデヒド・TVOC測定)に関するお見積り・ご依頼・お問い合わせは(株)中央クリエイトへ
下のボタンからお気軽にどうぞ

基本的な室内空気測定の実施方法

1. 室内空気測定の前に

1-1. 室内空気測定の目的

室内空気測定とは、新築または改築後の建物においてシックハウス症候群の対策として実施する、法令で定められた化学物質の濃度測定です。シックハウス症候群は、建材や家具などに使用されている化学物質(揮発性有機化合物(きはつせいゆうきかごうぶつ VOC Volatile Organic Compounds)が主要因とされ、目や鼻の痛み、頭痛・めまい・吐き気といった症状があらわれます。

1-2. 室内空気測定の2つの方法

  • アクティブ法(吸引方式)
    小型ポンプを用いて室内空気を強制的に捕集管に通気して化学物質を捕集する方法です。捕集する時間帯は、一般的に気温が高くなる午後2時~3時頃です。部屋の中央部1箇所で、床面より1.2~1.5mの高さで捕集します。
  • パッシブ法(拡散方式)
    簡易方法とも呼ばれ、小型捕集管を室内に8~24時間静置して室内の化学物質を捕集する方法です。この方法は現地での捕集作業が容易なため、集合住宅など多地点で同時測定を行う場合に用いられます。

1-3. 室内空気の測定基準

室内空気の測定基準は、厚生労働省の"室内空気中化学物質の測定マニュアル"が標準方法とされていますが、測定対象となる建物の種類によっても測定内容が定められています。

1) 厚生労働省:一般住宅・集合住宅の測定基準

新築住宅法は、室内空気中の揮発性有機化合物の最大濃度を推定するのが目的であり、居住住宅法は、居住、平常時における揮発性有機化合物の存在量や暴露量を推定するのが目的のため、新築ならびに改築住宅と居住住宅では測定時間が異なります。

①測定方法

アクティブ法(吸引方式)

②測定物質

13項目(ホルムアルデヒド・VOC等)

④測定時間

新築もしくは改築後の一般住宅・集合住宅
 ・・・30分間(午後2時~3時を含む)
居住している一般住宅・集合住宅
 ・・・原則24時間(午後2時~3時を含む)

⑤測定箇所

居間・寝室・外気(2室以上と外気1ヶ所)

2) 文部科学省:学校環境衛生の測定基準

①測定方法

パッシブ法(拡散方式)またはアクティブ法(吸引方式)

②測定物質

6項目(ホルムアルデヒド・トルエン・キシレン・パラジクロロベンゼン・エチルベンゼン・スチレン)

③測定準備

換気30分間以上密閉5時間以上

④測定時間

パッシブ法(拡散方式)・・・始業から終業まで8時間以上で1回
アクティブ法(吸引方式)・・・30分間(午前と午後それぞれ1回以上)

⑤測定箇所

普通教室・音楽室・図工室・コンピュータ教室・体育館等測定を必要と認める教室。各階1部屋以上。

1-4. 参考資料・参考法令

●厚生労働省

シックハウス(室内空気汚染)問題に関する検討会提示
「室内空気中化学物質の測定マニュアル」
「室内空気汚染に係るガイドライン案:室内空気に関する指針値」
「建築物における衛生的環境の確保に関する法律(通称:ビル衛生管理法)」

●国土交通省

住宅の品質確保の促進等に関する法律(品確法)
住宅性能評価制度
建築基準法に基づくシックハウス対策について

●国土交通省 大臣官房 官庁営繕部 整備課

公共建築工事標準仕様書(建築工事編)
"化学物質の濃度測定"

●文部科学省

学校環境衛生の基準

2. 室内空気測定の実施手順

2-1.アクティブ法(吸引方式)による測定

  • 測定前の準備

    測定を始める前に,調査対象箇所(部屋)については換気(開放)と密閉を行ないます。

    ①換気(開放)

    測定日当日の朝,30分以上の換気を行ないます。窓,部屋に備え付けのロッカー等は全て開放します。

    ②密閉

    換気(開放)後,5時間以上の密閉を行ないます。窓,扉は完全に閉め,部屋に備え付けのロッカー等は開放した状態にします。

    1
  • アクティブ用サンプラーの設置

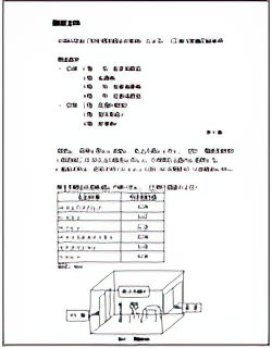
    三脚を立て,吸引ポンプを設置後,室内の中央部,少なくとも壁から1m以上離し,高さ1.2~1.5mに設定します。(文部科学省「学校環境衛生の基準」では,机の高さ,体育館は1.5mの高さに設定)

    室外においては外壁および空調給排気口から2~5m離し,室内の測定高と同じ高さに設定します。。

    設定後,吸引ポンプにアクティブ用サンプラーを装着します。

    アクティブ法VOC用設置例
    アクティブ法アルデヒド用設置例
    アクティブ法設定例

    アルデヒド類用サンプラー:DNPH誘導体化捕集管(GL-Pak mini AERODNPH、ジーエルサイエンス製)

    【採取物質】

    ホルムアルデヒド

    アルデヒド類用サンプラー

    VOC類用サンプラー:溶媒抽出用捕集管(Charcoal Tube、柴田科学製)

    【採取物質】

    トルエン
    キシレン
    エチルベンゼン
    パラジクロロベンゼン
    スチレン

    VOC類用サンプラー

    アクティブ法サンプリング用ポンプ(吸引ポンプ)

    MP-∑300 (柴田科学製)
    MP-∑100H(柴田科学製)

    アクティブ法サンプリング用ポンプ
    2
  • 温度と湿度の測定
    アスマン通風乾湿計を用いて測定を行います。
    3
  • 採取開始
    採取時間は30分間。
    4
  • 測定終了
    捕集したサンプラーをアルミパッケージに戻し,クーラーボックスで保冷します。
    5
  • 分析機関へ提出
    6

2-2. パッシブ法(拡散方式)による測定

  • 測定前の準備

    測定を始める前に,調査対象箇所(部屋)については換気(開放)と密閉を行ないます。

    ①換気(開放)

    測定日当日の朝,30分以上の換気を行ないます。窓,部屋に備え付けのロッカー等は全て開放します。

    ②密閉

    換気(開放)後,5時間以上の密閉を行ないます。窓,扉は完全に閉め,部屋に備え付けのロッカー等は開放した状態にします。

    1
  • パッシブ用サンプラーের設置

    三脚にクリップ等でパッシブ用サンプラーを固定します。天井からつるす場合は,ひも,画鋲,フック等を使用します。室内の中央部,少なくとも壁から1m以上離し,高さ1.2~1.5mに設定します。(文部科学省「学校環境衛生の基準」では,机の高さ,体育館は1.5mの高さに設定)

    室外においては外壁および空調給排気口から2~5m離し,室内の測定高と同じ高さに設定します。

    パッシブ法サンプラー設置例 パッシブ法設置例

    アルデヒド類用サンプラー:DNPH誘導体化捕集管(DNPHパッシブガスチューブ、柴田科学製)

    【採取物質】
    ホルムアルデヒド

    パッシブ法アルデヒド類用サンプラー パッシブ法アルデヒド類用サンプラー

    VOC類用サンプラー:溶媒抽出用捕集管(パッシブガスチューブ、柴田科学製)

    【採取物質】

    トルエン
    キシレン
    エチルベンゼン
    パラジクロロベンゼン
    スチレン

    パッシブ法VOC類用サンプラー パッシブ法VOC類用サンプラー
    2
  • 温度と湿度の測定
    アスマン通風乾湿計を用いて測定を行います。
    3
  • 採取開始
    採取時間は原則24時間。(状況により,8時間以上の測定。ただし,8時間測定の場合は室温が最も高くなる午後2時30分が中央となるように測定を行なう。)
    4
  • 測定終了
    捕集したサンプラーをアルミパッケージに戻し,クーラーボックスで保冷します。
    5
  • 分析機関へ提出
    6

2-3. トラベルブランク試験と二重測定

  • トラベルブランク試験
    トラベルブランク試験とは,室内空気測定の試料採取から分析するまでの間に,外部からの汚染を受けていないか確かめるための試験です。試料採取に使用した捕集管と,密栓した捕集管を一緒に持ち運ぶことによって確かめることができます。
    1
  • 二重測定
    試料採取中の配管の外れや,その他のミスを考慮し,同一試料を2回ずつ採取します。同時に二重測定の意味を持たせ,測定値平均とそれぞれの測定値との間に±15%以上の開きがある場合には,原則として欠測扱いとし,再度試料採取を行ないます。
    ただし,二重測定については測定対象により行なう場合と行なわない場合があります。
    2

2-4. 分析

分析機関では,試験を依頼してから,試験結果証明書が発行されるまで通常1~2週間程度かかります。

厚生労働省検討会;室内空気に関する指針値
 厚生労働省により以下の13物質の指針値が定められています。

  25℃の場合
μg/m3 ppm
ホルムアルデヒド 100 0.08
トルエン 260 0.07
キシレン 870 0.20
パラジクロロベンゼン 240 0.04
エチルベンゼン 3800 0.88
スチレン 220 0.05
クロルピリホス 1 0.07ppb
(小児 0.1 0.007ppb)
フタル酸ジ-n-ブチル 220 0.02
テトラデカン 330 0.041
フタル酸ジ-2-エチルヘキシル 120 0.0076
ダイアジノン 0.29 0.023ppb
アセトアルデヒド 48 0.03
フェノブカルブ 33 3.8ppb

2-5. 指針値を超えた場合の再測定

指針値を超える要因としては以下の4つのケースが考えられるので,要因の究明と措置をしたあと,再測定を行ないます。

1) 経過日数の不足
施工終了後2~3日程度で測定し,指針値を超えたケース。
→ 一定期間の経過と換気(開放)のあと再測定をするか,ベイクアウト(室内温度を人工的に30~35度まで上げ化学物質の放出を加速させる)のあと再測定を実施します。

2) 換気の不足
換気30分以上,密閉5時間以上という基準で実施したとものの,前日から密閉するなど密閉時間が長時間に及んでいて,指針値を超えてしまったケース。
→ 換気30分,密閉5時間で再測定を実施します。

3) 使用材料の影響
内装の仕上剤や接着剤によるものが考えられるケース。
→ 床,天井,壁の内側に要因があることが多いため,推測のうえ,ベイクアウトのあと,再測定を実施します。

4) 周辺工事の影響
測定時に同時に行なっていた外気の測定と照合し,外気の状況も指針値を超えるものであったケース。
→ 測定日の状況から要因を推測し,再測定を実施します。

2-6. 室内空気測定報告書

報告書例(調査箇所位置図)
報告書例(調査方法)
報告書例(測定結果)

主な大気汚染・室内空気測定実績

発注者 件名 年月
独立行政法人都市再生機構 R03左近山団地7-1号棟他25棟外壁修繕その他工事 アスベスト調査 R4.4
独立行政法人都市再生機構 R03鶴が台団地16-1号棟他8棟外壁修繕その他工事 アスベスト調査 R4.4
民間 クレヴィア京王堀之内パークナードⅠ 空気環境測定 R4.3
民間 (仮称)アカデミー保育園第2園新築工事 R4.2
独立行政法人都市再生機構 R03けやき台団地17号棟他13棟外壁修繕その他工事 アスベスト調査 R4.1
民間 アルファガレリア本町通新築工事 R3.12
五泉地域衛生施設組合 五泉地域衛生施設組合中間処理施設建設工業 R3.10
民間 八尾福栄共同購入センター新築工事 R3.9
京丹波町 京丹波町新庁舎建設工事 R3.8
独立行政法人都市再生機構 R02武里団地1-23号棟他21棟外壁修繕その他工事 R3.5
民間 TD千石1丁目計画新築工事 R3.2
民間 四日市市河原田町第7 ②号棟 R2.12
東京都水道局 社会全体のCO2排出削減に関する調査等業務委託 R2.10
民間 (仮称)ABホテル彦根 新築工事に伴う大気・空気調査 R2.9
民間 国際展示場駅業務施設新築工事に伴う大気・空気調査 R2.9
民間 慶應義塾大学(三田)西校舎生協食堂吹き付けアスベスト除去工事ならびに床シート張替え工事に伴う大気・空気調査 R2.9
兵庫県 旧県立柏原病院第1工区解体撤去工事に伴う大気・空気調査 R2.9
都市再生機構 R01 ラ・ヴェール東陽町外壁修繕その他工事に伴う大気・空気調査 R2.8
民間 (仮称)川口建設事務所計画に伴う大気・空気調査 R2.8
民間 社会福祉法人大阪社会医療センター付属病院建設工事に伴う大気・空気調査 R2.7
民間 大阪医科大学クラブハウス棟解体工事に伴う大気・空気調査 R2.6
民間 (小金井)西館バリアフリー化工事に伴う大気・空気調査 R2.3
民間 (仮称)渋谷広尾計画新築工事その他工事に伴う大気・空気調査 R2.2
都市再生機構 R01武蔵野緑町パークタウンB5号棟他4棟外壁修繕その他工事に伴う大気・空気調査 R1.12
西東京市 田無小学校校舎内装大規模改造工事(第一期)に伴う大気・空気調査 R1.7
和歌山市 (仮称)岡崎団地新1号棟建設工事に伴う大気・空気調査 R1.6
民間 (仮称)宮園保育園新築工事に伴う大気・空気調査 H31.3
民間 ぬくもりふれあいセンター2階改修工事に伴う大気・空気調査 H31.1
民間 (仮称)上池袋計画新築工事に伴う大気・空気調査 H30.12
東京都建設局 街路築造工事のうち土壌改良工事(30二-補26東北沢)に伴う大気・空気調査 H30.12
東京都財務局 東京都職員武蔵野住宅(30)改修工事に伴う大気・空気調査 H30.11
民間 木下光男様自宅新築工事に伴う大気・空気調査 H30.10
東京都 上向台小学校体育館等大規模改造工事に伴う大気・空気調査 H30.7
一宮市 小信中島分団庁舎解体工事に伴う大気・空気調査 H30.6
民間 新校舎改築(8・9号館耐震改築)工事に伴う大気・空気調査 H30.3
民間 (仮称)シャリエ大津中央計画新築工事に伴う大気・空気調査 H30.3
民間 古川温子様共同住宅新築工事に伴う大気・空気調査 H30.3
東京都 警視庁王子警察署庁舎(26)改築工事に伴う大気・空気調査 H29.12
民間 根岸沢揚水ポンプ所建屋除却工事に伴う大気・空気調査 H29.9
民間 (仮称)エディオン大垣店新築工事に伴う大気・空気調査 H28.10
民間 (仮称)大阪日本橋ホテル新築工事に伴う大気・空気調査 H28.10
民間 (仮称)伊勢うらのはしメディケアセンターに伴う大気・空気調査 H28.7
大阪府 (仮称)大阪・泉佐野市プラザホテルプロジェクトに伴う大気・空気調査 H28.5
民間 (仮称)大阪市北区中津3丁目ビジネスホテルプロジェクトに伴う大気・空気調査 H28.5
民間 (仮称)東洋倉庫(株)新築工事 H27.9
民間 (仮称)京都駅前ユニバーサルホテル新築工事 H27.6